负载敏感比例多路换向阀因具有节能性好,比例控制易于实现远程遥控,无级控制与负载变化无关,可满足多个执行元件在不同负载下同时工作等特点而广泛应用于建筑、矿山、农业、等领域的工程机械以及船舶机械。本研究在分析负载敏感比例多路阀原理的基础上,结合其内部结构特征对该阀使用中要注意的一些问题进行详细解释,***后结合多路阀的研究现状对该阀技术特点进行评述。
简介组成与原理
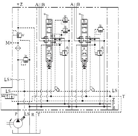
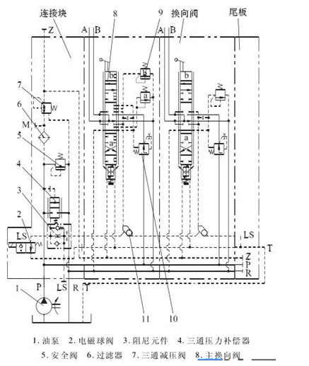
负载敏感比例多路阀应用于定量泵或变量泵液压系统中,用来控制液压执行元件的速度,方向,且能******输出流量随输入的控制信号电流(电压)或机械信号(手柄操作角度)或液压信号比例变化,而不受负载变化影响,同时可控制多个执行元件在不同的负载工况下同时动作。负载敏感比例多路阀一般主要有三个功能单元组成,分别为连接块,比例换向阀块,和尾板三部分组成。图1为某负载敏感比例多路阀的原理图。图中连接块内的三通压力补偿器(定差溢流阀)与换向阀内的梭阀网络配合工作,使定量泵出口压力总是比各路换向阀******负载压力高约10 bar,定量泵提供的多余流量通过三通压力补偿器以当前压力溢流回油箱。当所有换向阀均处于中位时,三通压力补偿器以约10 bar的压力使泵卸荷,系统处于低压待机状态,实现节能。换向阀内的二通压力补偿器(定差减压阀)用于******多路执行元件以不同的压力、速度独立工作,且控制流量不受负载影响。二次溢流阀通过限制LS的压力来限制换向阀负载口A或B的******工作压力。另外,连接块上选装的二通电磁阀(常开或常闭)用于对系统进行卸荷,可以通过电控方式实现系统的安全保护功能。看见该阀是由是由一个较复杂的液压系统组成。
变量泵系统负载敏感比例多路阀与定量泵系统中的相比,主要区别是不含三通压力补偿器,其原理图如图2。这是由于变量泵系统负载敏感比例多路阀,在配变量泵使用时,将负载压力信号Ls引入变量泵的变量机构,从而实现对流量压力的控制,无需再加三通压力补偿阀。
使用中应注意的几个问题分析
一、定量泵系统负载敏感比例多路阀调压问题
在定量泵+负载敏感比例多路阀系统中,系统中的压力阀安全阀,三通压力补偿器,二次溢流阀等相互耦合,用户如果对该阀的工作原理了解不透彻或没有专业的试验台,压力调节则比较困难。一般供应商会根据用户要求对压力和流量进行调节,然而这个调定值是基于设计阶段的理论值,用户在实际运用或现场调试中往往出现与设计值或多或******偏差的情况,

这***要求用户对已接入整机液压系统的多路阀的压力或流量值现场重新调定。系统中,安全阀的调定压力要高于二次溢流阀调定压力。安全阀,在此多路阀系统中起安全保护作用,常闭。由于换向阀在中位时,如图3,压力油P与负载压力引出槽不相通,负载敏感油路无压力,即无LS压力信号引入定差溢流阀弹簧腔,故只要泵的出口压力大于定差压力(9bar),便可通过定差溢流阀卸荷,使泵的出口压力不能建立。

若要调定安全阀的压力,***必须将其中一路换向阀置于A位或B位,这时,压力油口与负载压力引出槽相通,并将A口或B口堵住,或使某一路的执行元件处于极限位置或卡死,二次溢流阀调压至******,以提供足够的压力信号,多路阀(系统)中才可以取得负载压力信号,并引入定差溢流阀弹簧腔,这样,在负载压力与弹簧力共的同作用下,定差溢流阀的阀口趋于关闭,使泵的出口压力建立,方可调定安全阀溢流压力。二次溢流阀,在调好安全阀后,可对二次溢流阀压力调定。
二、负载敏感比例多路阀配变量泵使用时应注意的问题分析
一般当主阀处于中位时,泵的压力.流量控制器 (负载敏感调节阀)的LS信号油路应处于卸荷状态,以减小循环损失。没有这种卸压,泵在非换向位置时仍将以全部剩余流量和压力调节器安全阀设定的压力工作,这是不允许的。由于有些换向阀没有这种卸荷油路设计,因而某些压力******量控制器在LS信号入口和卸压排油出口之间有一个内部旁通/I,孑L或节流阀,如图4为力士乐A10V DFR/DFRl变量泵原理图。由于大部分负载敏感比例多路阀有在中位时LS卸荷的功能,因此只可以配DFRl型泵使用,否则会由于控制油的过多排泄,引起功能故障。这是由于这类多路阀内部LS油路上有一个直径0.8的阻尼孑L,提供的流量是有限的,约为2 l/min。变量泵系统负载敏感比例多路阀的中位LS卸荷原理如图4所示,图4为原理图中的局部油路图。

图中标出了中位Ls卸荷油路。可见,在中位时LS卸荷,处于换向位置时,此油路切断。
某负载敏感比例多路阀主阀内部主要结构如图5所示,阀芯处于中位时,LS通过阀体上的流道被引入环形槽中,由于阀体上的环形槽与阀芯上的孔1孔2孔3和沉割槽与回油流道R相通,***后Ls被引入回油释放掉。

三、定量泵和变量泵系统中负载敏感比例多路阀的转换
定量泵系统中负载敏感多路阀转换成变量泵负载敏感多路阀阀实质***是让前者中的三通压力补偿器失效,但又不影响其他油路。***直接的方法是,从三通压力补偿器中,取出弹簧,用垫片将阀芯垫死,使阀芯不能动作来实现。如果对此器件在系统中的功能和其内部结构原理理解,则可知三通压力补偿器中有一个M5的阻尼器,如图6为三通压力补偿阀工作原理图。若将此阻尼器用M5的螺钉替代。从而切断使阀芯趋于开启的控制压力,亦可实现三通压力补偿器始终处于关闭状态,使其失效,从而实现二者转换的目的。

四、负载敏感比例多路阀在技术特点方面应注意的问题
1) 外观设计及工艺技术特点
目前市场上的负载敏感比例多路阀多为片式结构;阀体制造工艺有铸造阀体和钢件机加阀体两种。
(1)对于钢件机加阀体:优点是设计紧凑,集成度高,体积小。这是由于阀体采用钢件机械加工而成,和铸件相比具有体积小但强度较高的特点。缺点是流道为机械加工而成,相交流道无圆滑过渡因而流体局部阻力损失较大;发热量较大,效率较低。其次,与铸造阀体相比,钢件机加阀体机械加工量大,成本高,造成整阀******偏高;
(2)对于铸造阀体:优点是批量化生产成本低,机械加工量少;铸造流道较圆滑,压力损失小。缺点是体积较大,铸造工艺复杂。
2)理论技术特点
总之,负载敏感比例多路阀是集负载传感技术,电液比例技术以及插装阀技术于一体的复杂的具有一定技术难度液压产品,具有一定的节能性,易于远程操作或无线遥控,设计理论成熟,产品性能相对稳定,在工程机械领域有较高******度。但该阀也存在着沿用了30多年的内部机液补偿器初始状态全开时,受液动力以及弹簧调定压力有一定波动性等一些因素的影响,补偿特性不理想,精度不高的缺点以及无抗流量饱和功能等技术局限性。
结论
负载敏感比例多路阀不是一个简单,单一的控制元件,而是一个由多个不同功能的插装元件组成相互耦合的具有特定压力、流量调节特性的集成度高的 (液压)系统。对该阀在使用过程中要注意问题进行详细解释和对一些非常规用法的探讨以及总体技术特点分析,有助于使用者对该阀原理、各插装元件功能以及内部主要结构的深刻理解,从而提高其整机液压系统设计与现场调试、故障处理方法的正确性与合理性。对于其技术特点的分析可为设计者对该阀的理性选用提供一定参考。
负载敏感比例多路阀在使用中应注意的事项
负载敏感比例多路换向阀因具有节能性好,比例控制易于实现远程遥控,无级控制与负载变化无关,可满足多个执行元件在不同负载下同时工作等特点而广泛应用于建筑、矿山、农业、等领域的工程机械以及船舶机械。本研究在分析负载敏感比例多路阀原理的基础上,结合其内部结构特征对该阀使用中要注意的一些问题进行详细解释,***后结合多路阀的研究现状对该阀技术特点进行评述。
简介组成与原理
负载敏感比例多路阀应用于定量泵或变量泵液压系统中,用来控制液压执行元件的速度,方向,且能******输出流量随输入的控制信号电流(电压)或机械信号(手柄操作角度)或液压信号比例变化,而不受负载变化影响,同时可控制多个执行元件在不同的负载工况下同时动作。负载敏感比例多路阀一般主要有三个功能单元组成,分别为连接块,比例换向阀块,和尾板三部分组成。图1为某负载敏感比例多路阀的原理图。图中连接块内的三通压力补偿器(定差溢流阀)与换向阀内的梭阀网络配合工作,使定量泵出口压力总是比各路换向阀******负载压力高约10 bar,定量泵提供的多余流量通过三通压力补偿器以当前压力溢流回油箱。当所有换向阀均处于中位时,三通压力补偿器以约10 bar的压力使泵卸荷,系统处于低压待机状态,实现节能。换向阀内的二通压力补偿器(定差减压阀)用于******多路执行元件以不同的压力、速度独立工作,且控制流量不受负载影响。二次溢流阀通过限制LS的压力来限制换向阀负载口A或B的******工作压力。另外,连接块上选装的二通电磁阀(常开或常闭)用于对系统进行卸荷,可以通过电控方式实现系统的安全保护功能。看见该阀是由是由一个较复杂的液压系统组成。

变量泵系统负载敏感比例多路阀与定量泵系统中的相比,主要区别是不含三通压力补偿器,其原理图如图2。这是由于变量泵系统负载敏感比例多路阀,在配变量泵使用时,将负载压力信号Ls引入变量泵的变量机构,从而实现对流量压力的控制,无需再加三通压力补偿阀。
使用中应注意的几个问题分析
一、定量泵系统负载敏感比例多路阀调压问题
在定量泵+负载敏感比例多路阀系统中,系统中的压力阀安全阀,三通压力补偿器,二次溢流阀等相互耦合,用户如果对该阀的工作原理了解不透彻或没有专业的试验台,压力调节则比较困难。一般供应商会根据用户要求对压力和流量进行调节,然而这个调定值是基于设计阶段的理论值,用户在实际运用或现场调试中往往出现与设计值或多或******偏差的情况,

这***要求用户对已接入整机液压系统的多路阀的压力或流量值现场重新调定。系统中,安全阀的调定压力要高于二次溢流阀调定压力。安全阀,在此多路阀系统中起安全保护作用,常闭。由于换向阀在中位时,如图3,压力油P与负载压力引出槽不相通,负载敏感油路无压力,即无LS压力信号引入定差溢流阀弹簧腔,故只要泵的出口压力大于定差压力(9bar),便可通过定差溢流阀卸荷,使泵的出口压力不能建立。

若要调定安全阀的压力,***必须将其中一路换向阀置于A位或B位,这时,压力油口与负载压力引出槽相通,并将A口或B口堵住,或使某一路的执行元件处于极限位置或卡死,二次溢流阀调压至******,以提供足够的压力信号,多路阀(系统)中才可以取得负载压力信号,并引入定差溢流阀弹簧腔,这样,在负载压力与弹簧力共的同作用下,定差溢流阀的阀口趋于关闭,使泵的出口压力建立,方可调定安全阀溢流压力。二次溢流阀,在调好安全阀后,可对二次溢流阀压力调定。
二、负载敏感比例多路阀配变量泵使用时应注意的问题分析
一般当主阀处于中位时,泵的压力.流量控制器 (负载敏感调节阀)的LS信号油路应处于卸荷状态,以减小循环损失。没有这种卸压,泵在非换向位置时仍将以全部剩余流量和压力调节器安全阀设定的压力工作,这是不允许的。由于有些换向阀没有这种卸荷油路设计,因而某些压力******量控制器在LS信号入口和卸压排油出口之间有一个内部旁通/I,孑L或节流阀,如图4为力士乐A10V DFR/DFRl变量泵原理图。由于大部分负载敏感比例多路阀有在中位时LS卸荷的功能,因此只可以配DFRl型泵使用,否则会由于控制油的过多排泄,引起功能故障。这是由于这类多路阀内部LS油路上有一个直径0.8的阻尼孑L,提供的流量是有限的,约为2 l/min。变量泵系统负载敏感比例多路阀的中位LS卸荷原理如图4所示,图4为原理图中的局部油路图。

图中标出了中位Ls卸荷油路。可见,在中位时LS卸荷,处于换向位置时,此油路切断。
某负载敏感比例多路阀主阀内部主要结构如图5所示,阀芯处于中位时,LS通过阀体上的流道被引入环形槽中,由于阀体上的环形槽与阀芯上的孔1孔2孔3和沉割槽与回油流道R相通,***后Ls被引入回油释放掉。

三、定量泵和变量泵系统中负载敏感比例多路阀的转换
定量泵系统中负载敏感多路阀转换成变量泵负载敏感多路阀阀实质***是让前者中的三通压力补偿器失效,但又不影响其他油路。***直接的方法是,从三通压力补偿器中,取出弹簧,用垫片将阀芯垫死,使阀芯不能动作来实现。如果对此器件在系统中的功能和其内部结构原理理解,则可知三通压力补偿器中有一个M5的阻尼器,如图6为三通压力补偿阀工作原理图。若将此阻尼器用M5的螺钉替代。从而切断使阀芯趋于开启的控制压力,亦可实现三通压力补偿器始终处于关闭状态,使其失效,从而实现二者转换的目的。

四、负载敏感比例多路阀在技术特点方面应注意的问题
1) 外观设计及工艺技术特点
目前市场上的负载敏感比例多路阀多为片式结构;阀体制造工艺有铸造阀体和钢件机加阀体两种。
(1)对于钢件机加阀体:优点是设计紧凑,集成度高,体积小。这是由于阀体采用钢件机械加工而成,和铸件相比具有体积小但强度较高的特点。缺点是流道为机械加工而成,相交流道无圆滑过渡因而流体局部阻力损失较大;发热量较大,效率较低。其次,与铸造阀体相比,钢件机加阀体机械加工量大,成本高,造成整阀******偏高;
(2)对于铸造阀体:优点是批量化生产成本低,机械加工量少;铸造流道较圆滑,压力损失小。缺点是体积较大,铸造工艺复杂。
2)理论技术特点
总之,负载敏感比例多路阀是集负载传感技术,电液比例技术以及插装阀技术于一体的复杂的具有一定技术难度液压产品,具有一定的节能性,易于远程操作或无线遥控,设计理论成熟,产品性能相对稳定,在工程机械领域有较高******度。但该阀也存在着沿用了30多年的内部机液补偿器初始状态全开时,受液动力以及弹簧调定压力有一定波动性等一些因素的影响,补偿特性不理想,精度不高的缺点以及无抗流量饱和功能等技术局限性。
结论
负载敏感比例多路阀不是一个简单,单一的控制元件,而是一个由多个不同功能的插装元件组成相互耦合的具有特定压力、流量调节特性的集成度高的 (液压)系统。对该阀在使用过程中要注意问题进行详细解释和对一些非常规用法的探讨以及总体技术特点分析,有助于使用者对该阀原理、各插装元件功能以及内部主要结构的深刻理解,从而提高其整机液压系统设计与现场调试、故障处理方法的正确性与合理性。对于其技术特点的分析可为设计者对该阀的理性选用提供一定参考。